返回 产品中心

2835无极白光

    
2835白光-无极性

型  号:AQ-SL2835-W-WJ

产品特性:正品芯片、低光衰、品质稳定、产品广泛应用于交通灯、舞台灯、植物灯、水族灯、亮化等产品。

产品图片:


XY-12S2C2W

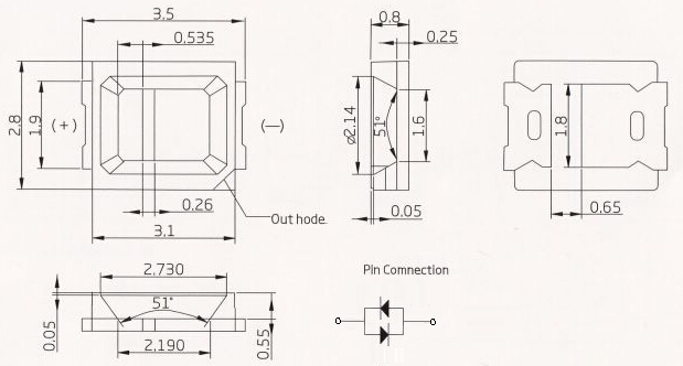
规格尺寸:

XY-12S2C2W规格书尺寸图

产品参数:

XY-12S2C2W参数

产品特性:

·通过能源之星LM-80、RoHS、CE等多项认证;

·ERP标准色区划分,抗硫化性能极佳,高光效、高性价比;

·严苛的物料评估体系,采用科学的晶片投料管理方法,更好地控制成品的亮度及色度分布;

·先进的封装材料选择,保证高可靠性,低衰减。


      产品用途:

用途:灯管、球泡、灯带、面板灯、筒灯、吸顶灯、路灯、泛光灯、工矿灯、发光字等各类照明产品。

车间展示:
大功率LED生产厂家
大功率LED生产厂家
LED大功率灯珠厂家
大功率LED工厂
大功率LED封装厂
大功率LED封装厂家 


上一页

2835SMD白光

下一页

2835球头-红光60°

 东莞市闽光电子科技有限公司Copyright © 2019  版权所有